Not all Heating Needs a Flame.
Optimized with Wide Bandgap (WBG) devices

Induction Heating

The technique of practical induction heating has been around since the 1920s. Growth in the induction heating industry expanded very rapidly during World War II where surface/case hardening, was used on military vehicles and weaponry as well as for axles and engines; this technique enabled longer life for those components. After the war, technology improvements found use in the civilian sector because people wanted more reliable automobiles.

Induction welding and high frequency hardening are two excellent applications in induction heating for the power inverter2. Wide Bandgap (WBG) power transistors have far better performance than Silicon (Si) devices in these applications. This article will explain why this is true.

How Induction Heating Works

Typical induction heating (IH) equipment uses alternating currents at frequencies from 60 Hz to over 1 MHz. Early induction heating designs used spark gap oscillators, motor driven generators and vacuum tubes to create those alternating currents. Technology later advanced and Silicon Controlled Rectifiers (SCRs) were used to replace older generators. Silicon Carbide (SiC) transistors now provide optimum performance in power supplies for induction heating. The reason for this is because IH uses high frequency current for heating electrically conductive materials via an intense alternating magnetic field; SiC devices operate at high frequencies (five to eight times higher than conventional Silicon), with high efficiency and high voltages not achievable by Si IGBTs. Also, the WBG energy and low intrinsic carrier concentration in SiC enables it to keep semiconductor behavior at much higher temperatures (up to 600 degrees C) than Si and hence can operate at higher junction temperature than IGBTs; SiC reduces waste heat which leads to less cost and weight in the water cooling system. SiC also has typical die sizes almost 20X smaller than similarly rates Si to fit better into the IH workhead (See Figure 1, below)

An induction heating system is composed of several components:

  • A power supply that generates a high frequency current
  • A load matching station that matches the impedance of the coil to the power supply
  • An induction copper coil which is wrapped around the device to be heated
  • A water cooling system that removes waste heat in a high power system

The process of induction creates an electromagnetic field in a coil that enables a transfer of energy to a target device that requires heating. An electrical current passes along a coiled wire, thus creating a magnetic field around that wire. This technique works by driving a large high frequency alternating current through the coil which in turn generates a very intense and rapidly changing magnetic field. The work piece which is to be heated is placed into this intense alternating magnetic field. The alternating magnetic field causes tremendous currents to flow through the work piece. These currents, called eddy currents, flow in a thin layer toward the surface of the work piece with the effect of enabling resistive heating.

The induction heating process is used for metals like steel and conductive materials as well. Small and thin materials are heated quickly compared to large and thick materials. The higher the frequency of the alternating current, the lower the heating depth of penetration. Some examples of electrically conductive metals that can be heated are:

  • Copper and copper alloys
  • Brass
  • Aluminum
  • Iron
  • Steel and stainless steel
  • Tungsten
  • Chrome
  • Nickel and nickel alloys
  • Cobalt
  • Carbon fiber
  • Graphite
  • Silicium
  • Platinum
  • Silver
  • Gold

IH creates an efficient and rapid heating which is both repeatable and accurate; accuracy in heating extends the life of fixtures. In addition, since no flame is used, it is also a safer process.

In this article, the power supply will be discussed in a design architecture using SiC power transistors which are highly efficient and can operate at the high frequencies needed for IH.

The Power Supply

When calculating power supply capacity, the specific heat of the material to be heated, the mass of the material andf the temperature rise required are to be considered. The heat loss due to conduction, convection, and radiation should also be taken into account for deciding the power supply capacity.

In IH applications, there is high enough current passing through a coil to necessitate water cooling. The alternating current from the AC line is converted through the power supply to a high frequency alternating current that is in line with the combination of coil inductance, workhead (in this case, the workhead is the device that holds the tank circuit) capacitance, and component resistivity. The work piece is positioned in the coil such that this field induces a current in the work piece, which in turn produces heat. (See Figure 1, at right).

Traditionally, the Silicon Insulated-Gate Bipolar Transistor (Si-IGBT) was the workhorse for high-frequency inverters in industrial and domestic IH applications. SiC devices are overtaking these kinds of applications because Si has a limited switching frequency of around 20 kHz.

Induction Heating System

Figure 1: A block diagram of a typical induction heating system (Image from Reference 1)

Using SiC Power Transistors

Commercial Inductive Heating

Induction heating is an excellent application for high-power applications; one of these applications is an efficient way to liquify metal. Induction needs an extremely high current and high frequency power, coupled with low conduction loss, SiC MOSFETS enable the performance needed while minimizing overall system cost vs. the far less efficient Si IGBT.

Induction welding and high frequency hardening/annealing are the two most straightforward applications in induction heating for the power inverter.

Industrial welders need power levels up to 1 MW and frequencies are in the range between 200-500 kHz, depending on the characteristics of the tube to be welded.

Hardening/annealing requires power levels up to 400 kW with frequencies in the range up to 200 kHz but with an extreme high number of power cycles.

Heating Rolled Alloys

10 to 100kW power is for small billet and bar ends (Billet is a semifinished round which has been partially worked, but will be further worked to final size. Bar is finished material that has been completely rolled to size.)

1MW to 5MW power is for billet, bar or tubes.

100kW to 1500kW is for billet, bar, and bar end heating.

10kW to 100kW is for annealing, drying, curing, and coating.

Why SiC?

 

The WBG energy, and low intrinsic carrier concentration of SiC, allow these devices to maintain semiconductor behavior at much higher temperatures than Silicon, which in turn permits the SiC device functionality to perform at much higher temperatures than Silicon.

The ability to embed high temperature semiconductor electronics, that are not cooled, directly into hot environments enable key benefits for induction heating applications. High-temperature capability (unpackaged SiC MOSFET dies can operate at a junction temperature at 400 C and a SiC module with packaging has an approximate device junction temperature of up to 175C) eliminates performance, reliability, and weight penalties in lieu of liquid cooling, fans, thermal shielding, and longer wire runs needed to attain similar functionality in applications using conventional Silicon semiconductors.

SiC devices have a high breakdown field and high thermal conductivity; when these features are added to high operational junction temperatures, SiC devices realize very high-power densities and efficiencies. SiC technology’s high breakdown field and wide energy bandgap make a markedly faster power switching than is possible with Silicon power-switching devices. (See Figure 2, at right.)

High voltage operation in SiC power devices is possible because of much thinner blocking regions that enable fast switching. This allows SiC-based power converters to operate at higher switching frequencies at a greater efficiency (so, less switching energy loss). Higher switching frequency in induction heating is imperative since it allows use of smaller capacitors, inductors, and transformers, which in turn allows for a smaller tank circuit and can greatly reduce overall power converter size, weight, and cost. Si devices cannot match these switching speeds.

Property (relative to Si)
Si
SiC
LT8614
1
3.1
Thermal Expansion Coefficient
1
1.6
Dielectric Constant
1
0.9
Electron Mobility
1
0.67
Hole Mobility
1
7.34
Breakdown Electric Field
1
7.34
Saturation Velocity
1
2
Maximum Working Temperature
1
5.2

Figure 2: Silicon vs. Silicon Carbide semiconductors showing superior material properties of Silicon Carbide (Image from Reference 5)

The Right Converter Architectures for IH

Two of the most popular types of converters for induction heating applications are a half-bridge resonant inverter (Figure 3) or a full-bridge resonant inverter (Figure 4. The resonant converter advantage is that it can switch its status (from on to off and vice versa) when the voltage across it, and/or a current through it, is zero at the switching instant. This significantly minimizes transistor stresses and power losses.

The half-bridge inverter

The basic half-bridge inverter is shown in Figure 3, at right. Figure 3 shows two identical dc voltage sources (E) which are connected in series, two static switches (Q1 and Q2), and two diodes (D1 and D2). Protection for the switches are D1 and D2 in parallel with the SiC devices (Q1 and Q2) since the switches will handle currents in reverse directions. Figure 2 uses an inductive load because most single-phase loads are typically inductive. Once the two large electrolytic capacitors, C1 and C2, are fully charged, they behave as the voltage sources. There are two equal resistors in parallel with the capacitors (internally/not shown), not only to ensure that the voltages on the two capacitors are at the same level, but also provide the paths for the capacitors to discharge once the half-bridge inverter is switched off.

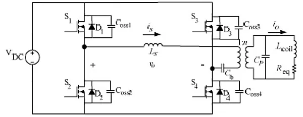
The full-bridge inverter

Figure 4 is a full-bridge LLC resonant inverter. In this full-bridge configuration, there are four SiC switches, S1 through S4, that have anti-parallel diodes across them as a snubber because of the inductive load. Cp is a resonant capacitor, and the series inductor, LS , along with an induction coil made up of the series combination of Req and an induction coil inductor (Lcoil). Cb is a DC blocking capacitor which is in series with the primary of the transformer. See Reference 3 for more details.

The full-bridge LLC resonant inverter is one of the most commonly used inverters in induction heating applications due to its simple construction and high efficiency. The main advantage of a resonant converter is that this architecture switches its status (from on to off and vice versa) when the voltage across it and/or a current through it is zero at the switching instant. This significantly reduces transistor stresses and power losses.

Figure 3: A resonant load half-bridge inverter (Image from Reference 3)

Figure 4: A full-bridge LLC resonant inverter (Image from Reference 3)

Other IH Applications

Induction welding and high frequency hardening are two more applications in induction heating using a power inverter with SiC devices. (See Reference 2)

Conclusion

Silicon Carbide (SiC) power devices have been shown to function under extreme high temperature, high frequencies and high power. These capabilities enable major enhancements and improvements in the field of induction heating where high frequency and high power are a must have. An overview of SiC characteristics that make this material feasible for use in high-voltage, high temperature and high frequency induction heating applications was presented. The benefits of using SiC transistors instead of conventional Si transistors in modern induction heating applications have been highlighted.

References

  1. What is Induction Heating and How do Induction Coils Work?, Sponsored by Ambrell Induction Heating Solutions, January 27, 2015 on AZO Materials website
  2. The Practical Use of SiC Devices in High Power, High Frequency Inverters for Industrial Induction Heating Applications, Enrique J. Dede, José Jordán, Vicente Esteve, IEEE 2016
  3. Power Electronics for Renewable Energy Induction Heating with SiC Transistors, Mathew M’kandawire, Jiaying Wang, Tatjana Kalitjuka, Aleksejs Grigorjevs, Norwegian University of Science and Technology, Department of Electrical Power Engineering, 2010
  4. SiC MOSFET Module Replaces up to 3x Higher Current Si IGBT Modules in Voltage Source Inverter Application, Dr. Mrinal K. Das, Product Marketing Manager, Cree, Inc., 2013
  5. BODY OF KNOWLEDGE FOR SILICON CARBIDE POWER ELECTRONICS, NASA Electronic Parts and Packaging (NEPP) Program Office of Safety and Mission Assurance

Energy & Power Design Support

Allow us an opportunity to assess your project and help bring your vision to market faster.

About our Team of Experts

Our team of global applications engineers are available to answer your questions to ensure your power conversion or energy storage system design meets your performance expectations. If you’re transitioning from silicon to gallium nitride (GaN) or silicon carbide (SiC), we’ll help identify the right switching device to achieve the power density and increased efficiency your application requires.