pSemi mmWave Solutions​

pSemi delivers performance, integration and reliability bundled in a mmWave support package built on 30+ years of high-frequency semiconductor expertise.
pSemi mmWave Beamformer & Up-Down Converter IC for Active Antenna Systems

pSemi mmWave Beamformer & Up-Down Converter IC for Active Antenna Systems

pSemi offers a complete support package of tools and technical expertise to simplify mmWave design and development.

The PE188200A-Z beamformer IC (n257 band) and PE128300A-Z up-down converter IC (n257, n258 band) offer a wide range of features and benefits to 5G FR2 system designers.

pSemi

Smallest footprint per channel

Monolithically integrated RF SOI ICs with the industry's smallest form factors make it easy to build large arrays without the need for extra routing.

Full IF-to-RF coverage

Up-down converters can be paired with up to four pSemi beamformers to support massive-MIMO, hybrid-beamforming and other active antenna configurations.

Applications

  • 5G base stations
  • 5G customer premises equipment (CPE)
  • Point-to-point radio
  • PE188200A-Z - 8-channel Beamforming Front End, 26.5–29.5 GHz

    The PE188200A-Z is an 8-channel beamforming front-end for 5G applications. It is organized as two independently controllable RF chains of four channels supporting four dual-polarity antennas or eight single-polarity antennas.

    Features

    • Covering the n257 band
    • Integrated power amplifiers and low-noise amplifiers
    • Supports four dual-polarity antennas
    • 50Ω impedance at RF ports
    • 6-bit phase and 6-bit attenuation control
    • High linearity: 18.5 dBm output P1dB
    • Low noise figure: 3.3 dB
    • 3.15V and 1.8V dual-supply voltage
    • High linear POUT supporting CP-OFDM 64 QAM
    • Fast beam switching
    • On-chip memory for 512 beams
    • Independent control via SPI of all paths

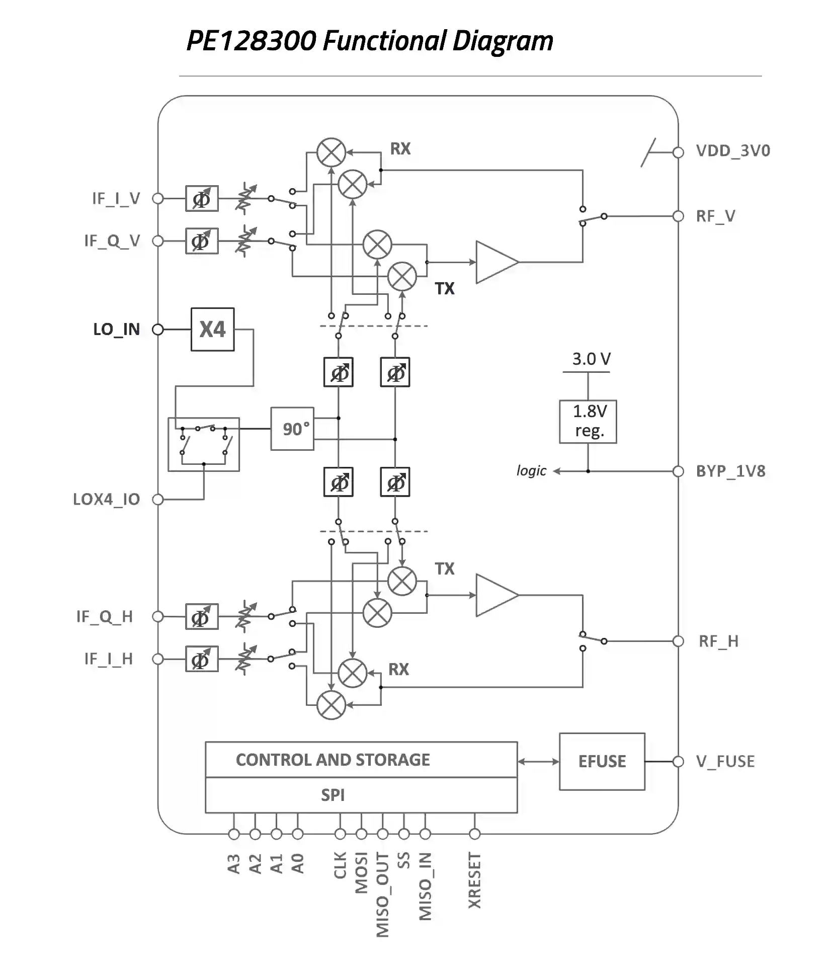
    PE128300A-Z - Dual-channel Up-Down Converter, 24.25–29.50 GHz

    The PE128300 is dual-channel TDD up-down converter designed for 5G FR2 n257, n258 and n261 frequency bands.

    Features

    • Supports bands n257, n258 and n261
    • Compatible with PE188100 and PE188200
      8-channel beamforming front ends
    • Fast TDD switching in < 400 ns
    • Separate V and H channels use a single X4 LO multiplier

     

    • Image reject up and down converters with I/Q balance adjustment
    • IF, LO I/Q phase and IF amplitude adjustment
    • TX OP1dB = +14 dBm, RX IIP3 = +7 dBm, RX NF = 6.0 dB
    • Up to 16 pre-stored modes selected by an 8-bit mode command via SPI interface

    RF & Microwave Support

    Allow us an opportunity to assess your project and help bring your vision to market faster.

    About our Team of Experts

    Richardson RFPD has a team of over 50 technical resources available to provide design assistance on a variety of topics.  Although there are too many to name, we have highlighted specific topics that provide a representation of our support.